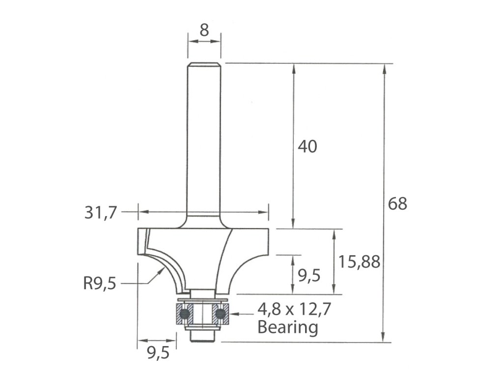
IGM M138 Zaoblovací fréza vydutá - R9,5 D31,7x15,88 L68 S=8 HW
Rádiusová fréza stopková
Zaoblovací stopková fréza slouží k zaoblení hrany materiálu. Můžete s ní vyrobit ozdobné zakončený hran masivního dřeva nebo zaoblit přilepenou ABS hranu. Ložisko na konci nástroje zajišťuje prvotřídní vedení nástroje a rovnoměrný úběr.
IGM tvrdokovové stopkové frézy řady Fachmann
Požadujete takové stopkové frézy, které pracují dostečně výkonně, vydrží Vám na Vaše projekty a jsou za dobrou cenu? Pak jsou stopkové frézy IGM řady Fachmann těmi pravými nástroji pro Vás. Nástroje konstruujeme s použitím nejnovějších poznatků z oboru a frézy mají design proti zpětným rázům, dostatečně velký prostor pro odvod třísek a teflonový povrch. Pro výrobu používáme kvalitní tvrdokov, silné plátky, vysoce kvalitní kuličková ložiska, ostříme na CNC strojích a vše je baleno v průhledných bezpečných obalech. Stopkové frézy Fachmann splňují evropské bezpečnostní normy EN 847/1 a 2. Jsou ideální pro frézování tvrdého a měkkého dřeva, překližky, vrstvených lepených materiálů a plexiskla či jiných plastů. Jsou určeny pro řemeslné použití.
Tvrdé a dostatečně silné tvrdokovové zuby
Používáme pouze kvalitní mikrozrný tvrdokov ( slinutý karbid ) speciálně určený pro řezné nástroje na měkká a tvrdá dřeva. Tlouštka plátku je podle typu frézy 2mm a nástroj lze proto mnohokrát více naostřit než u běžných fréz.
Design proti zpětnému rázu
Frézy mají konstrukci těla provedenou tak, aby se maximálně zamezilo možnosti zpětného rázu při frézování. Tělo nástroje splňuje náročná kritéria bezpečnosti podle evropských norem EN 847.
Teflonový povrch PTFE
Stopkové frézy IGM Fachmann jsou potaženy červeným nebo černým teflonovým potahem PTFE, který minimalizuje korozi a lépe odolává napalování zbytků třísek při vyšších teplotách, které vznikají při frézování. Fréza tak zůstane déle čistá a déle ostrá než frézy, které jsou jen nabarvené obyčejnou barvou.
Precizní naostření
Všechny frézy jsou precizně a přesně naostřeny na CNC přesných bruskách. Způsob ostření, spolu s celkovou konstrukcí Vám garantuje vždy čisté řezy a vysokou výkonnost.
Přehledné označení
Na stopce má každá fréza laserem vyznačeny důležité údaje a značku, která doporučuje optimální zasunutí stopky do kleštiny. Dále je uvedeno objednací číslo, řezný průměr, řezná délka, průměr stopky a maximální doporučené otáčky. Vše je naprosto jasné a přehledné.
Bezpečné balení
Co největší ochrana pro vaše nástroje! IGM Stopkové frézy řady Fachmann jsou balené v praktických obalech, které poskytují ochranu nástroje před poškozením a vnějšími vlivy. Pomáhají udržet pořádek při skladování. Průhledný obal je opatřen závěsem s euro otvorem pro presentaci na prodejnách nebo ve Vaší dílně. Stopka nástroje je pevně upnuta v chytrém kleštinovém systému obalu, takže nevypadne. Balení můžete také jednoduše používat pro bezpečnou přepravu stopkové frézy na ostření a zpět.
Použití
Vhodné pro tvrdé a měkké dřevo, překližku, lepené dřevěné materiály a plexisklo nebo plasty, částečně vhodné pro laminované dřevotřísky a MDF.
Doplňkové parametry
| Kategorie: | Stopkové frézy na dřevo rádiusové |
|---|---|
| Hmotnost: | 0.104 kg |
| EAN: | 8591761022810 |
| Průměr ostří (D): | 31.7 |
| Průměr stopky: | 8 |
| Rádius: | 9.5 |
| Řezná hloubka: | 15.9 |
| Typ produktu: | Fréza |
Diskuze
Buďte první, kdo napíše příspěvek k této položce.




