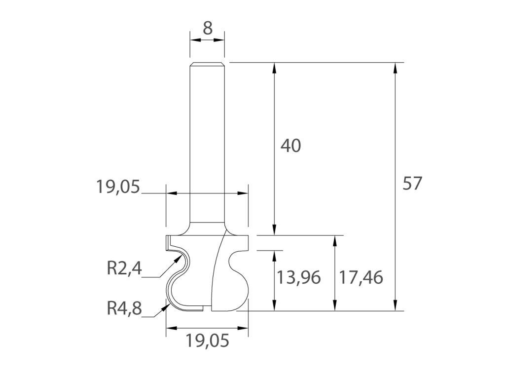
IGM M141 Fréza na rukojeti - R2,4-4,8 D19,05x17,46 L57 S=8 HW
Fréza na rukojeti M141 se dvěma zuby z tvrdokovu je určená pro výrobu dřevěných rukojetí a úchytů. Lze použít v ručních i CNC frézkách.
Touto frézou na rukojeti vytvoříte rukojeť ze stejného materiálu jako je čelo zásuvky nebo dvířka skříňky, což zajistí elegantní a čisté linie nábytku bez vyčnívajících úchytek. Pro frézování podél šablony lze vložit kopírovací ložisko na stopku (s omezovacím kroužkem) nebo použít kopírovací kroužek pro ruční frézku.
Vhodná na měkké a tvrdé dřevo, lepené dřevěné materiály, překližku a MDF.
Precizní konstrukce
Každá pájená fréza IGM prochází automatizovaným výrobním procesem na specializovaných CNC strojích, které zajišťují maximální bezpečnost výroby a vynikající přesnost při pájení i ostření řezného plátku. Dokonale vyvážená konstrukce frézy spolu s precizním způsobem ostření na 5-osích CNC strojích garantuje špičkovou výkonnost a čistý řez bez otřepu a pálení materiálu.
Automatizace a moderní technologie výroby značně minimalizuje výskyt jakýchkoli defektů. Mimoto prochází frézy přísnou kontrolou kvality, která odhalí i ty nejmenší odchylky od požadovaných parametrů. Vy tak vždy obdržíte spolehlivý a vysoce kvalitní nástroj splňující náročné požadavky.
Tvrdé a silné tvrdokovové zuby
Pájené frézy IGM vyrábíme z vysoce kvalitního mikrozrného tvrdokovu (slinutý karbid), který zajišťuje mimořádnou odolnost a životnost nástroje. Každý karbidový řezný plátek je vyroben s tvrdostí 93,5HRA (u nerovných plátků s tvrdostí 91HRA) a tloušťkou 2 mm, u nejmenších fréz pak minimálně 1 mm. Vysoká tvrdost zaručuje špičkový řez a tloušťka plátku umožňuje ostří několikrát přebrousit, což prodlužuje životnost každé frézy a udržuje maximální kvalitu řezu. Ostření doporučujeme svěřit odborníkům
Teflonový povlak PTFE
Sytě červený teflonový povlak PTFE na povrchu frézy chrání nástroj před korozí, snižuje tření a zvyšuje odolnost proti napalování třísek, lepidel a pryskyřic. Díky povlaku tak fréza zůstává čistá a zachová si ostří po delší dobu než obyčejné frézy.
Anti-kickback
Design těla frézy s technologií Anti-kickback maximálně zamezuje možnosti zpětného rázu při frézování. Tělo nástroje splňuje náročná kritéria bezpečnosti podle evropských norem EN 847.
Přehledné označení
Na každé stopce frézy jsou laserem vyznačené klíčové parametry a značka „K“, která určuje optimální zasunutí stopky do kleštiny. Mezi uvedenými parametry naleznete kód, řezný průměr, řeznou výšku, průměr stopky a maximální doporučené otáčky.
Praktický obal
Všechny frézy IGM jsou dodávané ve znovu uzavíratelných obalech, které chrání nástroj před poškozením při skladování nebo přepravě na ostření. Plastový obal s jasně viditelnými parametry na štítku usnadňuje organizaci při práci a rychlou výměnu nástroje. Fréza je v obalu pevně zajištěná, proto ji doporučujeme vytahovat opatrně s použitím rukavic.
Doplňkové parametry
| Kategorie: | Stopkové frézy na madla zásuvky a okrasné |
|---|---|
| Hmotnost: | 0.08 kg |
| EAN: | 8591761068092 |
| Typ produktu: | Fréza |
Buďte první, kdo napíše příspěvek k této položce.




