Fréza na posuvné dveřeHS portál - profilová posuvné dveře - profilová
Žiletková HW fréza na dřevěné posuvné dveře pro frézování drážek: pojezd i zámek jedním nástrojem. VBD břitové destičky (4× otočné), přesná nulová výška.
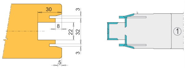
Fréza na drážky posuvných dveří HS PORTÁL
– fréza č. 1 (pojezdová + zámková část profilu)
Fréza č. 1 pro HS PORTÁL je žiletková HW fréza na drážky posuvných dveří, která v jednom pracovním kroku profiluje pojezdovou drážku i zámkovou část profilu. Pokud vyrábíte HS PORTÁL posuvné dveře a chcete zrychlit výrobu bez ztráty přesnosti, tenhle nástroj vám ušetří čas i nastavování.
Díky provedení s VBD (břitové destičky) získáte stabilní řez, dlouhou životnost a ekonomický provoz. Když se břit otupí, většinu nožů jednoduše otočíte – většina destiček je 4× otočná, takže máte nižší náklady na servis a méně prostojů.
Hlavní výhody
Pojezd + zámek v jednom kroku: rychlejší profilování drážek pro HS PORTÁL- Nulová výšková linie: konzistentní výška profilu a přesná návaznost výroby
- Žiletkové HW (VBD): přesnost, dlouhá životnost, čistý výsledek
- Dvoubřité provedení + 4× otočné destičky (většina nožů): maximální využití břitů
- Upínání Ø30 mm (na přání Ø40 mm): snadné použití na běžných strojích
Použití
- frézování a profilování spodních drážek pro HS PORTÁL posuvné dveře
- tvorba pojezdové drážky a zámkové části profilu jedním nástrojem
Provedení / parametry
- typ: žiletková HW fréza (VBD)
- břity: dvoubřitá, většina nožů 4× otočná
- upínání: Ø30 mm (volitelně Ø40 mm)
Diskuze
Buďte první, kdo napíše příspěvek k této položce.




